
| Part No. | Voltage | Power | LED Qty | Approval | Light | Lead Length | Packing |
|
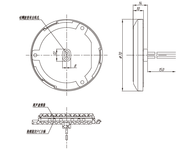
GS-IEL0A70 - Interior Lamp
|
10-16V
|
2.5W
|
12
|
/
|
White
|
0.15M | White box or Blister |
COPYRIGHT 2019 ©Zhejiang Groupstar Automotive Lamp Co.,Ltd 浙ICP备18037604号-1